合肥倍斯图自控公司欢迎您!

全国客户服务热线

0551-62886086

联系方式

联系人:销售客户服务部

电话:17085690520

QQ:2190197398

邮箱: 2190197398@qq.com

地址:安徽合肥市经济开发区

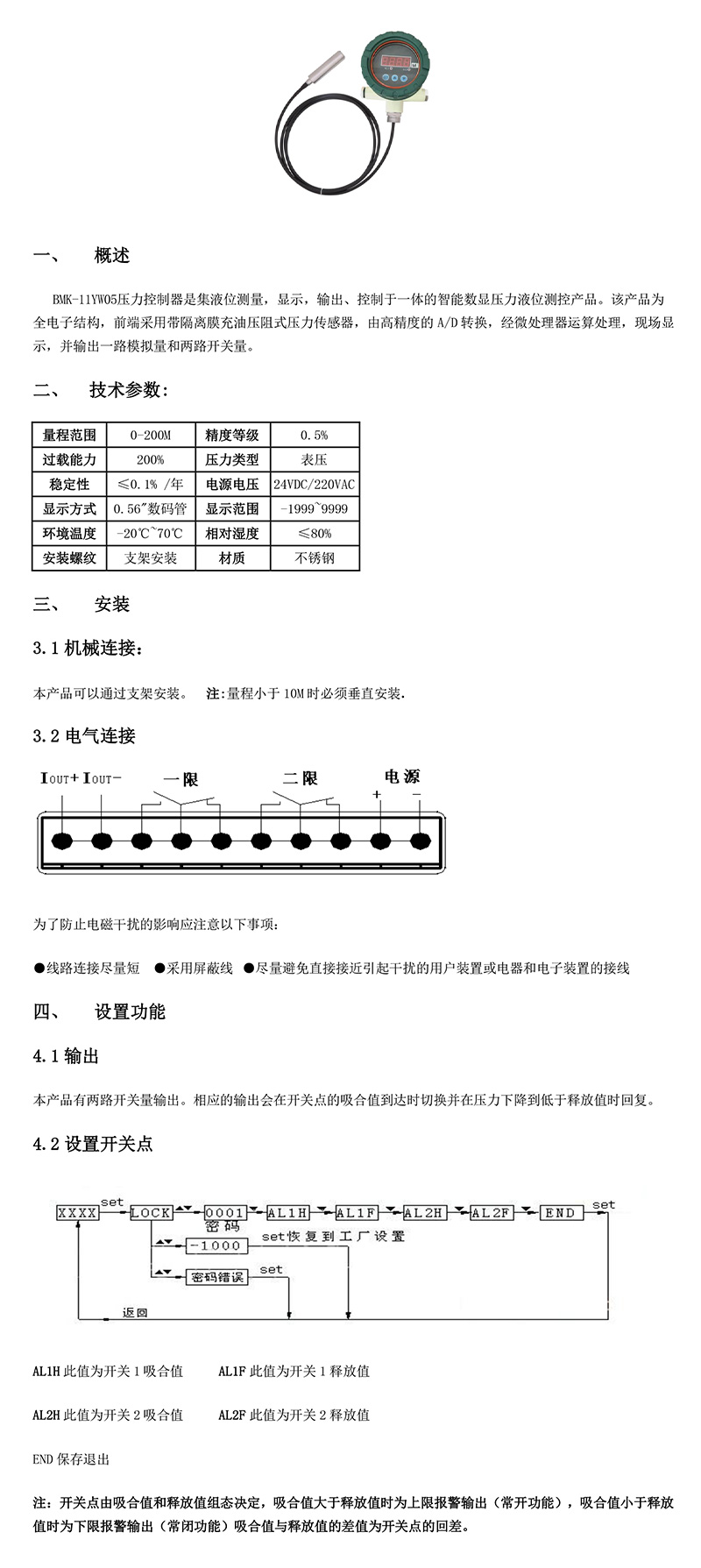
BMK-11YW05压力控制器
BMK-11YW05压力控制器是集液位测量,显示,输出、控制于一体的智能数显压力液位测控产品。该产品为全电子结构,前端采用带隔离膜充油压阻式压力传感器,由高精度的 A/D 转换,经微处理器运算处理,现场显示,并输出一路模拟量和两路开关量。
BMK-11YW05压力控制器

在线咨询
电话咨询